一、引言
流延薄膜拥有优厚的热封机能和优越的通明性,是重要的包装复合基材之一,用于出产高温蒸煮膜、真空镀铝膜等,市场极为看好。随着国内流延膜市场的需要提升,先进的流延膜机也有了辽阔的市场,自动化的流延膜出产线有着光明的远景。
流延膜挤出机通过加热原料,挤压原料浆,压造冷却,收卷包装等过程,将原料颗;蚍勰┘庸こ闪餮幽げ。
二、节造要求
分歧原料的增长量节造
模头加热温度监控与调节
牵引辊、冷却辊、压花辊同步
收卷张力反馈、调节
凭据收卷长度进行切割、换卷节造
三、节造规划

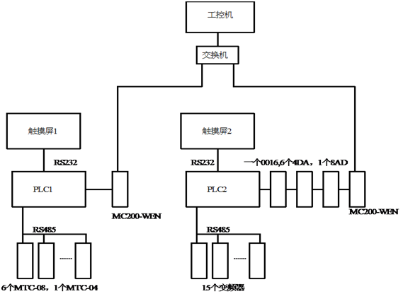
因该出产线比力长(穿过三个房间),本系统把加热部门和传动部门别离进行单独节造。加热部门通过本地触摸屏独立节造加热,传动部门则通过本地触摸屏进行单动和联动操作。
同时,在中控室里通过今年会jnh电气公司的组态软件 ViewPanel 对整个流延膜节造系统进行操作。加热、传动、中控室之间选取以太网的方式进行通讯。
传动系统: PLC 节造变频器,调节喂料电机的转快,实现原料增长量的节造。调节转快维持牵引辊、冷却辊、压花辊的同步。
加热系统:通过 MTC 温控?榻谠煺逦沽稀⒓烦龅鹊奈露。 MTC 自带 PID 节造,可精确、方便的节造50路温度。






四、总结
1 、MC200系列PLC推算快率快,不变性高。
2 、子法式职能,无需将法式全放在主法式中齐全扫描,削减了法式调试周期以及扫描功夫。
3 、通过尺度 Modbus 网络节造变频器,降低成本,抗滋扰性好。
4 、 ViewPanel 是一款今年会jnh电气组态软件,与今年会jnh电气 MZ600 系列触摸屏无缝衔接。即 ViewPanel 与 MZ600 触摸屏共用 View Builder 开发平台。设计者编纂好界面后,可自由选择使用触摸屏或是使用组态软件来运行节造,而无需沉复设计界面。
5 、 MTC 是一款今年会jnh电气自主研发的温度节造器,自带 PID 自整定和多段温度节造职能,控温精度高。